theRonda S360-100 AP GR
Модель:
4819Артикул:
2080551Наличие:
Есть в наличии
0.00 LEI
-15°C ... 50°C
Type of protection250 W
Type of connectionFunction description
- Passive infra-red presence detector for ceiling installation
- Circular detection area 360°, up to Ø 8 m (50 m2) at mounting height 3 m
- 1 channel light (Relay, 230 V)
- Automatic motion and brightness-dependent control for lighting
- Mixed light measurement suitable for fluorescent lamps (FL/PL/ESL), halogen/incandescent lamps and LEDs
- Operation as fully automatic device
- Brightness switching value configurable, teach-in function
- Pulse function for staircase light time switch
- Time delay configurable
- Detection sensitivity configurable
-15°C ... 50°C
Type of protection250 W
Type of connection360°
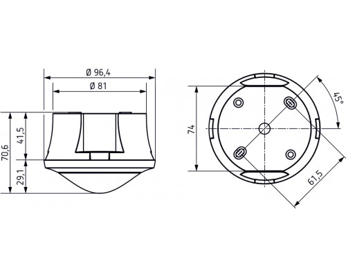
Ambient temperature50 m² (ø 8 m | 360°)
Detection angle55 mm
Switching outputColour
GreyFrequency
50 HzIncandescent/halogen lamp load
2300 WInrush current
max. 400 A / 200 µsInstallation height
2 - 4 mInstallation type
Suface mountedIP 54 (when fitted)
Lamp types
Incandescent/halogen lamps, fluorescent lamps, Energy saving lamps, LEDsLED lamp 25 W
LED lamp 2-8 WLight
Detection rangeLight measurement
Mixed light measurementLight switch-off delay
10 s - 60 minmax. 2 x 2,5 mm²
Size of concealed housingMinimum height
1.7 mOperating voltage
230 V ACScrew terminals
Max. cable cross sectionSetting range brightness
30 - 3000 lxОтзывов: 0
