TR 622 top2 24V
Модель:
4905Артикул:
6224100Наличие:
Есть в наличии
0.00 LEI
10 years
Switching capacity at 250 V AC, cos φ = 11400 W
Energy saving lampsFunction description
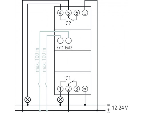
- Digital time switch with weekly program
- DuoFix spring terminals
- For 2 conductors each
- Wire or strand (with or without wire end sleeve)
- Wire diameter: 0.5 - 2.5 mm²
- Button for releasing plug-in connection
- Text-oriented user guidance in display
- Preset date and time
- fully operable without mains connection
- 84 memory locations
10 years
Switching capacity at 250 V AC, cos φ = 11400 W
Energy saving lamps16 A
Switching capacity at 250 V AC, cos φ = 0,62
Number of memory locations2 A
Incandescent/halogen lamp load30 W
LED lamp 6 W84
Power reserveAmbient temperature
-30°C ... 55°CDisplay
LCDFrequency
50 - 60 HzHousing and insulation material
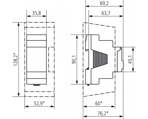
High-temperature resistant, self-extinguishing thermoplasticInstallation type
DIN railKeyboards
4 touch buttonsLED lamp 2-8 W
20 WLED lamp > 8 W
25 WMemory card supplied
ON-OFF, Pulse, Cycle
Number of channelsOpening width
ProgramOperating voltage
12 - 24 V UCProtection class
II according to EN 60 730-1Shortest switching times
1 sStand-by consumption
~0.3 WSwitching capacity min.
ca. 10 mASwitching output
Phase-independentTime accuracy at 25 °C
typical ± 0,25 s/day (quartz)Time basis
QuartzType of connection
DuoFix spring terminalsType of contact
Two-way changeover contactType of protection
IP 20Voltage
12-24 V UCWeekly program
Program functionsWidth
2 modulesОтзывов: 0
