SYN 151 h
Модель:
4918Артикул:
1510011Наличие:
Есть в наличии
0.00 LEI
-20°C ... 55°C
0.4 W
Test approvalFunction description
- Analogue time switch
- 1 channel
- 60 minute program
- Without power reserve
- 96 switching segments
- Synchronised with mains
- Shortest switching time: 37.5 seconds
- DuoFix spring terminals
- For 2 conductors each
- Wire or strand (with or without wire end sleeve)
-20°C ... 55°C
0.4 W
Test approval180 W
Shortest switching times37.5 s
Time accuracy at 25 °C96
Stand-by consumptionChangeover contact
Switching outputDrive
Synchronous motorFrequency
50 HzHigh-temperature resistant, self-extinguishing thermoplastic
Type of protectionII according to EN 60 730-1
Ambient temperatureIncandescent/halogen lamp load
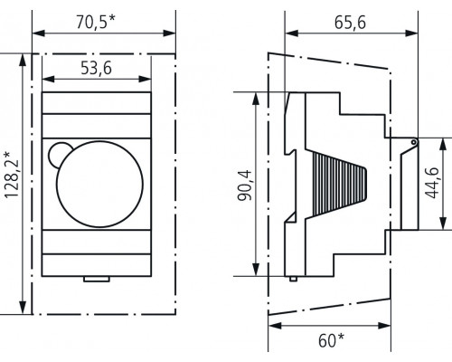
1100 WInstallation type
DIN railIP 20
Protection classLED lamp 20 W
LED lamp 2-8 WNumber of channels
1Operating voltage
230 V ACPotential-free and phase-independent
Number of switching segmentsProgram
60 minutes programSwitching capacity at 250 V AC, cos φ = 0,6
4 ASwitching capacity at 250 V AC, cos φ = 1
10 ASynchronised with mains
Type of contactType of connection
DuoFix spring terminalsVDE
Housing and insulation materialWidth
3 modules~0.9 W
Capacity loss max.Отзывов: 0
