SYN 161 d
Модель:
4658Артикул:
1610011Наличие:
Есть в наличии
0.00 LEI
-20°C ... 55°C
1.3 W
Test approvalFunction description
- Analogue time switch
- 1 channel
- Daily program
- Without power reserve
- 96 switching segments
- Synchronised with mains
- Shortest switching time: 15 minutes
- Clock hands for time display and in addition 12/24 hour recognition
- Simple summer/winter time correction
- Time can be changed clockwise or anti-clockwise
-20°C ... 55°C
1.3 W
Test approval15 min
Time accuracy at 25 °C180 W
Shortest switching times96
Stand-by consumptionChangeover contact
Switching outputDrive
Synchronous motorFrequency
50 HzHigh-temperature resistant, self-extinguishing thermoplastic
Type of protectionII according to EN 60 730-1
Ambient temperatureIncandescent/halogen lamp load
1100 WInstallation type
DIN railIP 20
Protection classLED lamp 20 W
LED lamp 2-8 WNumber of channels
1Operating voltage
230 V ACPotential-free and phase-independent
Number of switching segmentsProgram
Daily programSwitching capacity at 250 V AC, cos φ = 0,6
4 ASwitching capacity at 250 V AC, cos φ = 1
16 ASynchronised with mains
Type of contactType of connection
DuoFix spring terminalsVDE
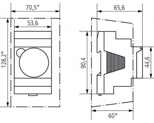
Housing and insulation materialWidth
3 modules~0.5 W
Capacity loss max.Отзывов: 0
