SUL 191 w
Модель:
4664Артикул:
1910011Наличие:
Есть в наличии
0.00 LEI
-20°C ... 55°C
1.3 W
Test approvalFunction description
- Analogue time switch
- 1 channel
- Weekly program
- With power reserve (NiMH rechargeable battery)
- 84 switching segments
- Quartz controlled
- Shortest switching time: 2 hours
- Clock hands for time display and in addition 12/24 hour recognition
- Simple summer/winter time correction
- Time can be changed clockwise or anti-clockwise
-20°C ... 55°C
1.3 W
Test approval180 W
Shortest switching times2 h
Time accuracy at 25 °C84
Stand-by consumptionChangeover contact
Switching outputDrive
Quartz-controlled stepper motorFrequency
50 - 60 HzHigh-temperature resistant, self-extinguishing thermoplastic
Type of protectionII according to EN 60 730-1
Ambient temperatureIncandescent/halogen lamp load
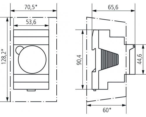
1100 WInstallation type
DIN railIP 20
Protection classLED lamp 20 W
LED lamp 2-8 WNumber of channels
1Operating voltage
110 - 230 V ACPotential-free and phase-independent
Number of switching segmentsPower reserve
3 days approx. 1.5 days at 110 VProgram
Weekly programSwitching capacity at 250 V AC, cos φ = 0,6
4 ASwitching capacity at 250 V AC, cos φ = 1
16 AType of connection
DuoFix spring terminalsVDE
Housing and insulation materialWidth
3 modules~0.5 W
Capacity loss max.≤ ± 1 s/day (quartz)
Type of contactОтзывов: 0
