SELEKTA 171 top3 RC
Модель:
4677Артикул:
1710330Наличие:
Есть в наличии
0.00 LEI
1
Number of memory locations10 A
Incandescent/halogen lamp loadFunction description
- Astronomical time switch with weekly program
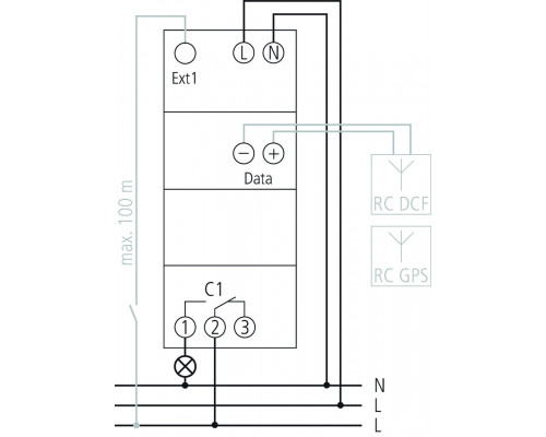
- Time synchronisation option via connection of an external DCF or GNSS antenna
- 1 channel
- Programming by app possible
- Safe transfer via optional Bluetooth Low Energy OBELISK top3
- Maximum manipulation security, time switch programs can only be transferred from the app to the time switch when the Bluetooth OBELISK top3 is plugged into the time switch
- 100% compatible with top2 (When transferring the switching programs via OBELISK to the PC, the OBELISK software as of V3.8.3.4 must be installed)
- 3 special programs (small annual program)
- 3 custom twilight ranges plus adjustable offset (sunset, twilight, darkness)
- Astro-pulse
1
Number of memory locations10 A
Incandescent/halogen lamp load10 years
Switching capacity at 250 V AC, cos φ = 11100 W
LED lamp 50 W16 A
Switching capacity at 250 V AC, cos φ = 0,62600 W
Energy saving lamps84
Power reserveAmbient temperature
-30°C ... 55°CDisplay
LCDExterne Antenne anschließbar
Fluorescent lamp load (conventional) not corrected
2600 VAFluorescent lamp load (conventional) series-corrected
2600 VAFrequency
50 - 60 HzHousing and insulation material
High-temperature resistant, self-extinguishing thermoplasticInrush current
max. 800 A / 200 µsInstallation type
DIN railKeyboards
4 touch buttonsLED lamp 2-8 W
600 WLED lamp > 8 W
600 WON-OFF, Pulse
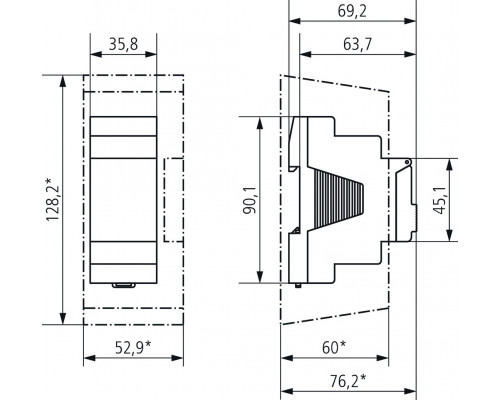
Number of channelsOpening width
ProgramOperating voltage
110 - 230 V ACProtection class
II according to EN 60 730-1Shortest switching times
1 minStand-by consumption
~0.75 WSwitching capacity min.
ca. 10 mASwitching output
Phase-independentTime accuracy at 25 °C
typical ± 0,25 s/day (quartz) or DCF77/GPSTime basis
Quartz/DCF77/GPSType of connection
DuoFix spring terminalsType of contact
Changeover contactType of protection
IP 20Weekly program, Astronomical program
Program functionsWidth
2 modulesОтзывов: 0
