TR 684-1 top2
Модель:
4707Артикул:
6840100Наличие:
Есть в наличии
0.00 LEI
Ambient temperature
-10°C ... 55°CDisplay
LCDFunction description
- Digital time switch with weekly program
- 1 channel
- Timer module without plug-in base
- Connection by 4.8 mm AMP flat plug for original installation standard devices
- For installation in regulation and control
- Text-based operator guidance in the display
- 56 memory locations
- Interface for OBELISK top2 memory card (PC programming)
- 10 year power reserve (lithium battery)
- ON-OFF switching times
Ambient temperature
-10°C ... 55°CDisplay
LCDFrequency
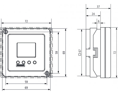
50 - 60 HzHousing and insulation material
High-temperature resistant, self-extinguishing thermoplasticInstallation type
Front panel installation/wall installationKeyboards
4 touch buttonsNumber of channels
1Number of memory locations
56Operating voltage
230 - 240 V ACPower reserve
10 yearsProgram
Weekly programProgram functions
ON-OFFProtection class
II according to EN 60 730-1Shortest switching times
1 minStand-by consumption
~1 WSwitching capacity at 250 V AC, cos φ = 0,6
1 ASwitching capacity at 250 V AC, cos φ = 1
6 ATime accuracy at 25 °C
≤ ± 0.5 s/day (quartz) at 25 °CTime basis
QuartzType of contact
Changeover contactType of protection
IP 20Voltage
230 V ACОтзывов: 0
