BM 12 T KNX
Модель:
5238Артикул:
4940235Наличие:
Есть в наличии
0.00 LEI
Ambient temperature
-5°C ... 45°CDisplay
12 LEDs zur Anzeige des Zustandes am EingangFunction description
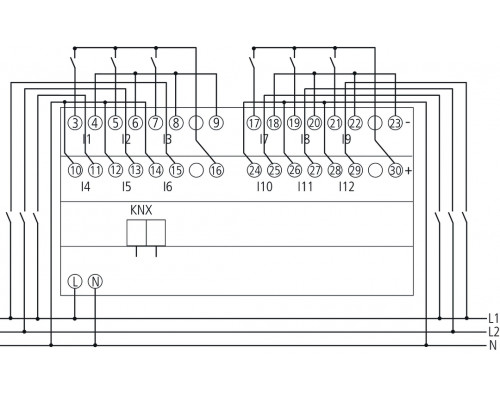
- 12-way binary input FIX2
- 12 floating universal and wide-range voltage inputs (10-240 V AC/DC or internally generated auxiliary voltage of approx. 12 V DC)
- 4 additional channels operable by buttons on the device, but without input
- LED switching status display for each channel
- Manual operation on device (even without bus connection)
- Manual operation per channel for simulating the input states
- All inputs can be operated with different voltages and at different potentials
- Connectable cable length up to 100 m
- Free allocation of functions: switch/push button, dimming, blinds/roller blinds, counter, repeat telegram, sequences
Ambient temperature
-5°C ... 45°CDisplay
12 LEDs zur Anzeige des Zustandes am EingangFrequency
50 - 60 HzInstallation type
DIN railMax. cable cross section
Solid wire: 0.5 mm² (Ø 0.8) to 6 mm² | Stranded wire with end sleeve: 0.5 mm² to 4 mm²Max. cable length
100 mOperating voltage
110 V AC - 240 V AC, 50 Hz - 60 HzOperating voltage KNX
Bus voltage, ≤4 mAOutput
12 V DC/18 mA, SELVProtection class
II according to EN 60 730-1Stand-by consumption
~0.3 WSuitable for SELV
Yes, if all inputs are connected with SELVType of connection
KNX bus terminalType of protection
IP 20Voltage inputs
10 V DC - 240 V AC 2 mAWidth
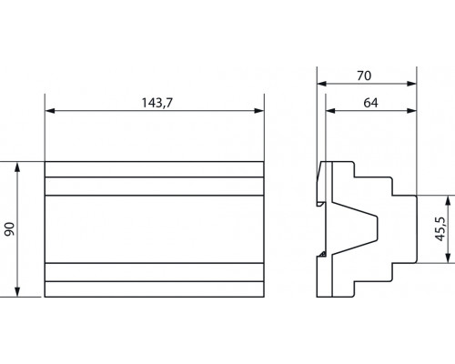
8 modulesОтзывов: 0
