HM 12 T KNX
Модель:
5188Артикул:
4940245Наличие:
Есть в наличии
0.00 LEI
Ambient temperature
-5°C ... 45°CFrequency
50 - 60 HzFunction description
- 12-way heating actuator FIX2
- With temperature controllers (P/PI) for heating and cooling
- For controlling 12 thermal actuators 24 V - 240 V AC in 4 groups with 3 outputs and 450 mA each
- (Due to the switch-on behaviour of the actuators, we recommend not to exceed a maximum load of 3x1 actuators 24 V AC or 3x5 actuators 230 V AC)
- Short-circuit-proof and overcharge protected
- Continuous or switching actuating value selectable
- Valve protection function can be deactivated
- With the modes: comfort, standby, night as well as frost/heating protection
- Changeover to summer mode possible
- LED switching status display for each channel
Ambient temperature
-5°C ... 45°CFrequency
50 - 60 HzFrequency output
50 - 60 HzInstallation type
DIN railMax. cable cross section
Solid wire: 0.5 mm² (Ø 0.8) to 6 mm² | Stranded wire with end sleeve: 0.5 mm² to 4 mm²Number of channels
12Operating voltage
110 V AC - 240 V AC, 50 Hz - 60 HzOperating voltage KNX
Bus voltage, ≤12 mAOutput
Triac, 0.45 AProtection class
II according to EN 60 669Stand-by consumption
~0.5 WSuitable for SELV
Yes if all channels switch at SELVSwitching of various phases
PossibleSwitching output
Not potential-freeType of connection
Terminal screws | Bus connection: KNX bus terminalType of protection
IP 20Voltage output
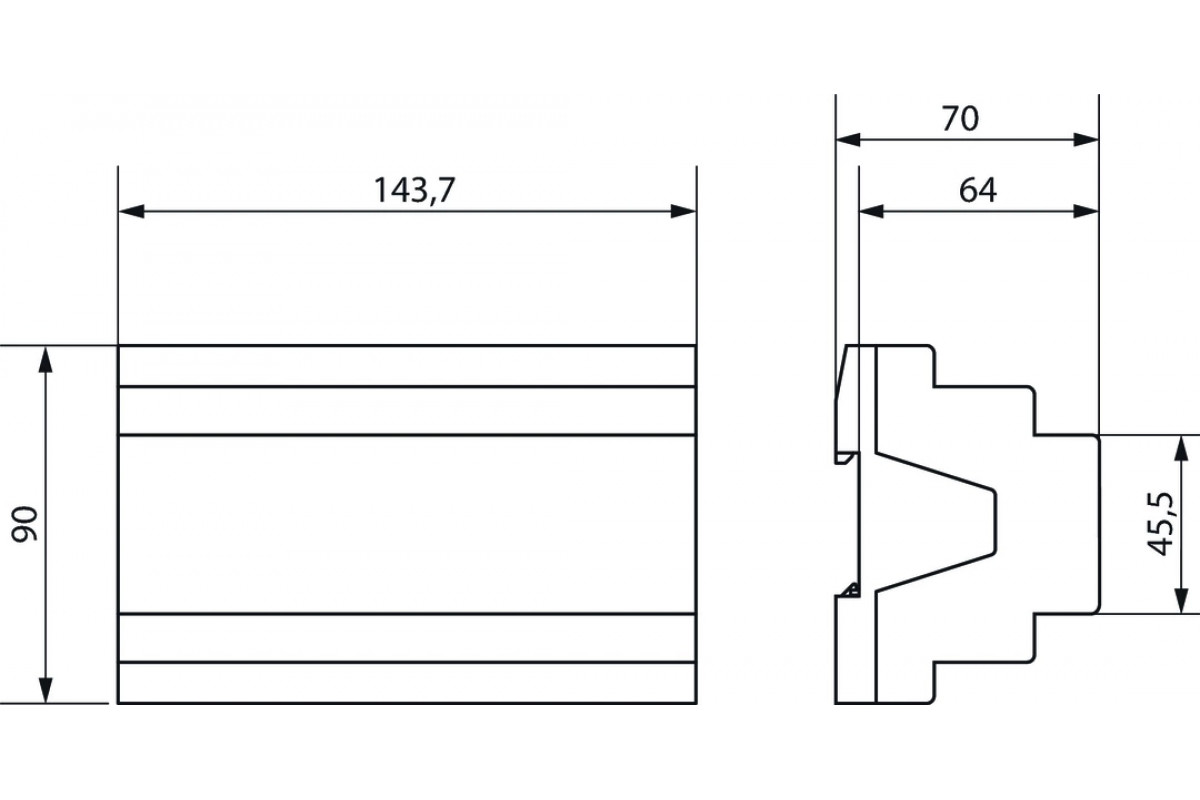
24 V AC - 240 V ACWidth
8 modulesОтзывов: 0
