JME 4 T 24V KNX
Модель:
5199Артикул:
4930265Наличие:
Есть в наличии
0.00 LEI
Ambient temperature
-5°C ... 45°CInstallation type
DIN railFunction description
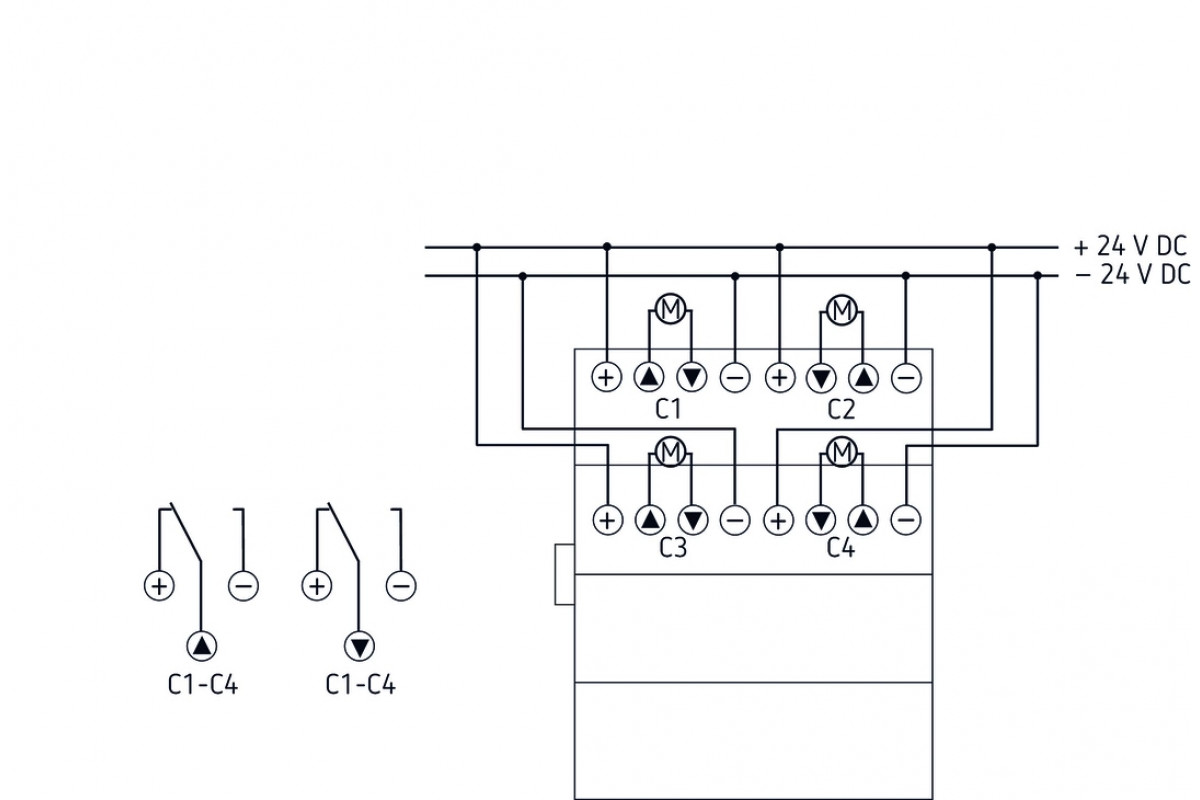
- 4-way blind actuator 24V MIX2
- Extension module MIX2
- Can be upgraded to maximum of 12 channels
- For controlling 24V drives for blinds, shutters, sun and vision protection devices, skylights and ventilation flaps
- Up to 2 extension modules can be connected to a base module
- Up to two extension modules MIX or MIX2 can be connected to one base module
- Device and KNX bus module can be swapped independently of each other
- Removable KNX bus module enables devices to be changed without reprogramming
- Manual set-up and use of actuators is possible without KNX bus module
- Free combination of switches, dimming, blinds and heating control as well as binary inputs
Ambient temperature
-5°C ... 45°CInstallation type
DIN railMax. cable cross section
Solid wire: 0.5 mm² (Ø 0.8) to 6 mm² | Stranded wire with end sleeve: 0.5 mm² to 4 mm²Number of channels
4Output
Changeover contact, 6 AProtection class
II according to EN 60 730-1Switching capacity
6 A at 24 V DCSwitching output
Potential-free, for SELV, if the whole device switches SELVType of connection
Screw terminalsType of protection
IP 20Width
4 modulesОтзывов: 0
