RM 8 I KNX
Модель:
5185Артикул:
4940215Наличие:
Есть в наличии
0.00 LEI
-5°C ... 45°C
Type of protection1650 W
Energy saving lampsFunction description
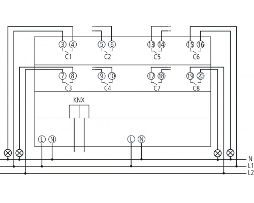
- 8-way C load switching actuator FIX2
- With current recognition
- For higher lamp loads
- LED switching status display for each channel
- Manual operation on device (even without bus connection)
- Adjustable characteristics: e.g. switching, delayed switching, pulse function
- Links, type of contact (NC contact/NO contact) and participation in central commands such as continuous On, continuous Off, central switching and save/call up scene
- Switching functions: On/Off, pulse, On/Off delay, staircase light with warning
- Logical links: e.g. lock, AND, release, OR
-5°C ... 45°C
Type of protection1650 W
Energy saving lamps200 µF
Incandescent/halogen lamp load2000 W (200 µF)
Fluorescent lamp load (electronic ballast)2600 W
Fluorescent lamp load (conventional) parallel-corrected3680 W
Capacitive load410 W
LED lamp 75 WAccuracy current measurement
I > 1 A: ± 8 % of measured value; I C loadFrequency
50 - 60 HzII according to EN 60 669
Inrush current
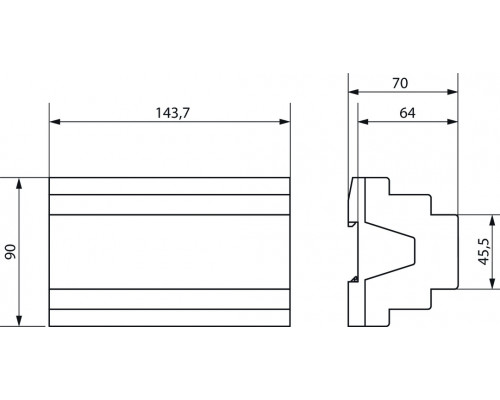
max. 1500 A / 200 µsInstallation type
DIN railIP 20
Protection classLED lamp 2-8 W
850 WLED lamp > 8 W
850 WMax. cable cross section
Solid wire: 0.5 mm² (Ø 0.8) to 6 mm² | Stranded wire with end sleeve: 0.5 mm² to 4 mm²Module FIX2
Ambient temperatureNumber of channels
8Opening width
Resistive loadOperating voltage
110 V AC - 240 V AC, 50 Hz - 60 HzOperating voltage KNX
Bus voltage, ≤4 mAStand-by consumption
~2.4 WSuitable for SELV
Yes if all channels switch at SELVSwitching of various phases
PossibleSwitching output
Potential-freeType of connection
Terminal screws | Bus connection: KNX bus terminalType of contact
NO contact, 16 A, 10 AVoltage output
240 V ACWidth
8 modulesОтзывов: 0
