RMG 8 S KNX
Модель:
5171Артикул:
4930220Наличие:
Есть в наличии
0.00 LEI
1200 W
Energy saving lamps1300 W (140 µF)
Fluorescent lamp load (conventional) not correctedFunction description
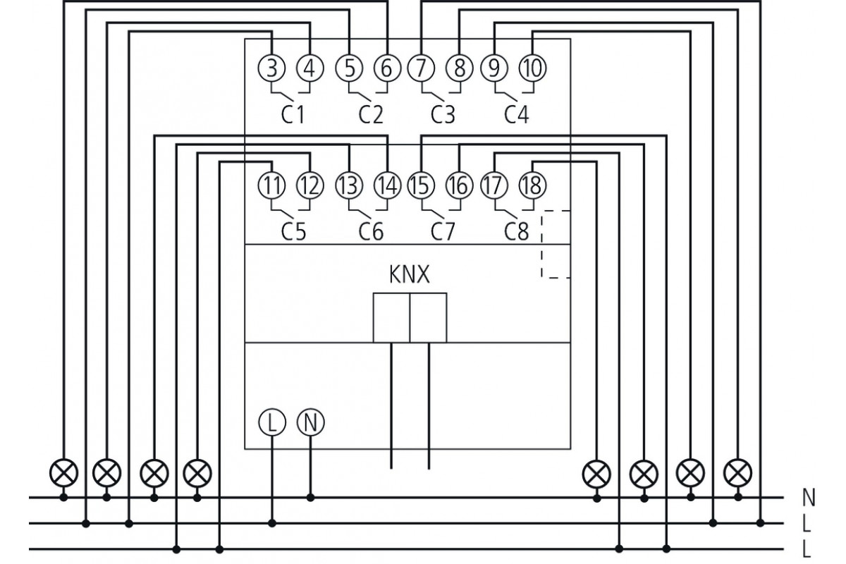
- 8-way switching actuator MIX2
- Base module MIX2
- Can be upgraded to maximum of 24 channels
- Up to two extension modules MIX or MIX2 can be connected to one base module
- Device and KNX bus module can be swapped independently of each other
- Removable KNX bus module enables devices to be changed without reprogramming
- Manual set-up and use of switching actuators is possible without KNX bus module
- LED switching status display for each channel
- Manual operation on device (even without bus connection)
- Adjustable characteristics: e.g. switching, delayed switching, pulse function
1200 W
Energy saving lamps1300 W (140 µF)
Fluorescent lamp load (conventional) not corrected2000 VA
Fluorescent lamp load (electronic ballast)2000 W
Fluorescent lamp load (conventional) parallel-corrected300 W
LED lamp 55 W3680 W
Incandescent/halogen lamp loadAmbient temperature
-5°C ... 45°CC load
Capacity loss max.
6.4 WFrequency
50 - 60 HzInrush current
max. 800 A / 200 µsInstallation type
DIN railLED lamp 2-8 W
600 WLED lamp > 8 W
600 WMax. cable cross section
Solid wire: 0.5 mm² (Ø 0.8) to 6 mm² | Stranded wire with end sleeve: 0.5 mm² to 4 mm²Number of channels
8Opening width
Resistive loadOperating voltage
110 V AC - 240 V AC, 50 Hz - 60 HzOperating voltage KNX
Bus voltage, ≤4 mAProtection class
IIStand-by consumption
~0.3 WSuitable for SELV
Yes if all channels switch at SELVSwitching of various phases
PossibleSwitching output
Potential-freeType
Base moduleType of connection
KNX bus terminalType of contact
NO contact, 16 A, 3 AType of protection
IP 20Values valid as of serial number
1318XXXXXVoltage output
240 V ACWidth
4 modulesОтзывов: 0
