SM 4 KNX
Модель:
5215Артикул:
4940310Наличие:
Есть в наличии
0.00 LEI
-5°C ... 45°C
Type of protection10 A, 3 A
Opening widthFunction description
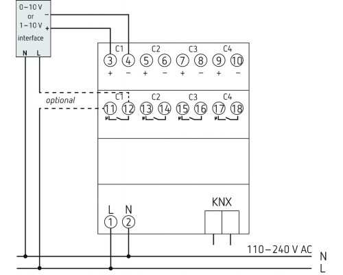
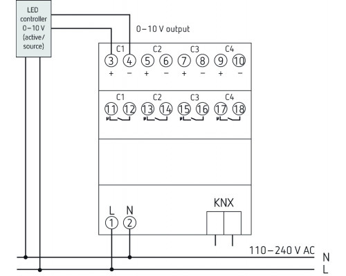
- DIN-rail 4-way switching/dimming actuator 10 A 133 µF, KNX TP
- For the control of electrical consumers with 0-10 V or 1-10 V interface
- Flexible use of control and relay outputs
- Control outputs suitable for active (0-10 V, source) and passive control (1-10 V, sink), as well as mixed operation
- Support of colour and colour temperature control
- Simple commissioning and programming in the ETS, without additional tools or ETS app
- Secure communication via with support of „KNX Data Secure“
- Inrush current max. 800 A, for the reliable switching of capacitive loads (ECG and LED drivers)
-5°C ... 45°C
Type of protection10 A, 3 A
Opening width110 V AC - 240 V AC, 50 Hz - 60 Hz
Frequency4
Type of contact4 modules
Type of connection50 - 60 Hz
Stand-by consumption600 W
Inrush currentDIN rail
WidthII
Incandescent/halogen lamp load
1200 WIP 20
Protection classLED lamp 55 W
LED lamp 2-8 Wmax. 800 A / 200 µs
Suitable for SELVModule FIX1
Ambient temperatureOperating voltage KNX
Bus voltage, Operating voltageSolid wire: 0.5 mm² (Ø 0.8) to 6 mm² | Stranded wire with end sl
Number of channelsTerminal screws | Bus connection: KNX bus terminal
Max. cable cross sectionYes if all channels switch at SELV
Type~0.5 W
Installation typeОтзывов: 0
