TR 648 top2 RC-DCF KNX
Модель:
5275Артикул:
6489210Наличие:
Есть в наличии
0.00 LEI
Ambient temperature
-5°C ... 45°CDisplay
LCDFunction description
- Digital time switch with yearly and astronomical time program
- Time synchronisation via connection of external DCF antenna
- Can be operated without mains supply
- 8 channels
- DuoFix spring terminals for 2 conductors each
- Text-oriented user guidance in display
- 800 memory locations
- Interface for OBELISK top2 memory card (PC programming)
- 8 year power reserve (lithium battery)
- ON-OFF switching times
Ambient temperature
-5°C ... 45°CDisplay
LCDInstallation type
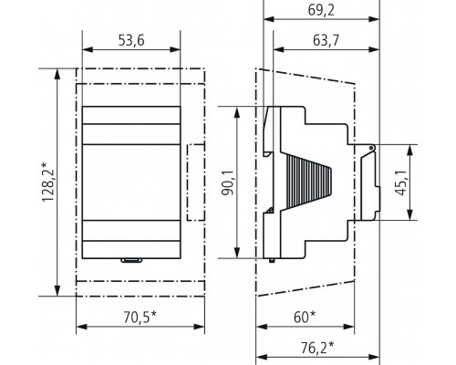
DIN railNumber of channels
8Number of memory locations
800Operating voltage KNX
Bus voltage, ≤12 mAProtection class
III according to EN 60 730-1Shortest switching times
1 sTime accuracy at 25 °C
≤ ± 0,5 s/day (quartz) or DCF77Type of protection
IP 20Width
3 modulesОтзывов: 0
